食材『鯛魚』-SGS檢驗報告,永圻 YONGCHI| 寶寶副食品的首選
新台幣
訂單查詢
聯絡我們
購物說明
訂閱電子報
登入
會員登入
會員專區
會員專區
登出
0
永圻 YONGCHI| 寶寶副食品的首選
我的購物車
讀取中...請稍候
首頁
關於
促銷活動
點心類任選10包9折優惠
燴料任選10包9折優惠
高湯任選30包8折優惠
高湯任選55包7折優惠
全系列商品分類
優惠組合專區
寶寶「燴料」專區
寶寶「粥/飯」專區
寶寶「高湯」專區
寶寶「點心」專區
寶寶「麵」專區
生鮮食材專區
孕媽、術後、銀髮族湯品專區
檢驗報告/好評推薦/食譜專區
HACCP&ISO22000證書
SGS檢驗報告
真實媽咪分享
寶寶副食品食譜
部落客分享
副食品健康教室
實體經銷商店
積點兌換專區
檢驗報告/好評推薦/食譜專區
SGS檢驗報告
HACCP&ISO22000證書
SGS檢驗報告
真實媽咪分享
寶寶副食品食譜
部落客分享
副食品健康教室
- 請選擇文章分類 -
HACCP&ISO22000證書
SGS檢驗報告
真實媽咪分享
寶寶副食品食譜
部落客分享
副食品健康教室
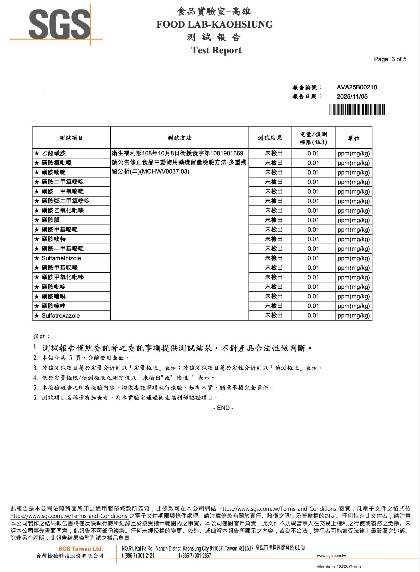
食材『鯛魚』-SGS檢驗報告
30 Aug, 2023
SGS檢驗報告
分享文章到
回部落格列表
上一篇
下一篇
成為會員,獨享專屬好康優惠!
加入會員
立即獲得 50 點,馬上折抵!
綁定社群帳號,快速登入
登入
登入
登入
或
手機號碼即是會員帳號
台灣 (+886)
中国 (+86)
香港 (+852)
Australia (+61)
Brunei (+673)
Canada (+1)
France (+33)
Germany (+49)
India (+91)
Indonesia (+62)
Japan (+81)
Korea (+82)
Macao (+853)
Malaysia (+60)
Netherlands (+31)
New Zealand (+64)
Philippines (+63)
Singapore (+65)
Sweden (+46)
Thailand (+66)
United Kingdom (+44)
United States (+1)
Vietnam (+84)
須再次完成手機驗證並設定登入密碼
密碼長度須在10到16個字符。
密碼須為英文字母、數字或特殊符號。
獲取驗證碼
驗證碼每日可發送3次,若超過每日限制次數,請於隔日(逾24:00)再重新驗證。
登入 / 註冊
上一步
下一步
上一步
忘記密碼?
立即登入
送出
完成註冊
下一步
下一步
註冊帳號即表示您同意
會員權益說明
與
隱私權條款
選擇語言
繁體中文
確定
取消
推薦使用貨幣
新台幣
人民幣
日圓
韓圓
港元
美金
其他貨幣
加拿大元
澳門幣
馬來西亞令吉
紐西蘭元
菲律賓披索
新加坡元
泰銖
越南盾
歐元
澳洲元
英鎊
確定
取消